Home » Products » Aluminium Alloy Terminal and Din Rail » DIN Aluminium Alloy Rail
 DIN Aluminium Alloy Rail

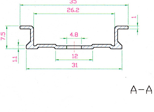
DIN Aluminium Alloy Rail

1) Width: 35mm
2) Matches with all kinds of DIN controllers and standard components

Other Products
  • Analog Panel MeterAn analog panel meter is a type of panel meter which drives the needle to move based on the electromechanical principle and the position where the ...
  • Digital Panel Meter A digital panel meter is widely used in electric power grid and automation control systems for measuring and displaying electrical parameters such as current, voltage, power ...
  • Φ16mm LED IndicatorPlease give great attention to the specification, anti-interference (40V) and anti-surge.
    The material for body of Φ16mm LED indicator lamp ...
  • Φ22mm LED IndicatorColor: the LED indicator lamps are available in red, green, yellow, blue and white.
    The Φ22mm LED indicator has CE Certificate
    GB14048.5 IEC945-5-1 ...