| |
|
 |
 |
 |
 |
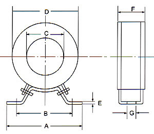
UNIT:mm
| Modle |
RCT-32 |
RCT-60 |
RCT-90 |
RCT-110 |
| A |
93 |
93 |
93 |
102 |
| B |
78 |
78 |
78 |
86 |
| C |
32 |
60 |
90 |
111 |
| D |
78 |
104 |
136 |
157 |
| E |
2 |
2 |
2 |
2 |
| F |
41 |
41 |
41 |
52 |
| G |
9 |
9 |
9 |
9 |
MEASURING DISTANCE:
| RCT-32 |
30/5,40/5,50/5,60/5,80/5,100/5,120/5
150/5,200/5,250/5,300/5 |
| RCT-60 |
300/5,400/5,500/5,600/5,800/5,1000/5
1200/5 |
| RCT-90 |
1000/5,1200/5,1500/5,1600/5,2000/5 |
| RCT-110 |
2000/5,2500/5,3000/5,4000/5 |
|
|
 |
|