| |
|
 |
Applicable Rang:
SAL7 series residual current circuit breaker is designed for electric shock protecting and human in direct contact protection, and electric equipment protection when human body touching electricity or electric network leak current exceeds stipulated value, in household or similar uses with AC 50Hz, rated working voltage 400V and below, rated current up to 63A, without relationship to line voltage. It is widely used in all kinds of fields, such as industry, business,civilian household, and so on. It can be used for overload and short-circuit protections when it cooperates with the CDB17 series breakers.
Applicable Standards: International standard: IEC61008-1 Residual current operated without integral overcurrent protection of household and similar uses(RCCB)
Normal Usage and Mounting Conditions: a) Ambient temperature The breaker can work under ambient air temperature -25℃~+40℃; b) Altitude The breaker can work under altitude not exceed 2000m; c) Class of pollution The class of pollution is Class 2; d) Installation type The installation type is III; e) Mounting position The breaker can be mounted in rail, or horizontally, vertically. It will not decrease their electric features; f) Environmental protection Environmental factors are adequately considered in the design of circuit breaker, with many recoverable and degradable materials. g) Power source in-line
|
MAIN TECHNICAL DATA:
| Model |
SAL7-63 |
| Poles |
2P,4P |
| Rated current In(A) |
10,16,25,25,32,40,63 |
| Rated frequency(Hz) |
50 |
| Rated operating voltage Ue(V) |
230,400 |
| Rated isolating voltage Ui(V) |
500 |
| Rated short-circuit making capacity Im(A) |
630 |
| Rated limited short-circuit current Ic(A) |
6000 |
| Rated residual actuating current I△n(mA) |
30,100,300 |
| Rated residual non-actuating current I△n(mA) |
15,50,150 |
Breaking time I△=I△N(ms) I△=51△N(ms) |
≤100 |
| ≤40 |
| Frequency of operation cycle |
perhour(time) |
240 |
| electrical(time) |
1000 |
| non-electrical(time) |
2000 |
| Level of protection |
Ip20 |
| Working feature with DC weight |
A,AC(type) |
| Mounting type |
rail plug-in |
| Connection type |
terminal with clip |
| Ambient temperature |
Min/Max(℃) |
-25/+40 |
| Altitude |
Max(m) |
2000 |
| Connection lead |
Min/Max(mm3) |
1/25 |
| Tightening torque(N.m) |
2 |
| External dimensions(L×W×H) |
2P(mm) |
82.5×36×76 |
| 2P(mm) |
82.5×36×76 |
| Weight |
2P(Kg) |
0.275 |
| 4P(Kg) |
0.360 |
|
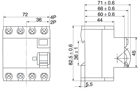
Outline and Installation Dimensions:
Outline and installation dimension,see Table1.It is mounted by steal mounting quide rail, Type TH35-7.5.
|
|
 |
|